Home › Unlabelled ›
Chevy Wiring Schematics : Chevy Wiring Schematics Wiring Diagram System Grain Image A Grain Image A Ediliadesign It / 1953 chevy car color wiring diagram (late build) this diagram is for late 1953 cars with multi colored wiring (reds, blues, greenss, etc).
Chevy Wiring Schematics : Chevy Wiring Schematics Wiring Diagram System Grain Image A Grain Image A Ediliadesign It / 1953 chevy car color wiring diagram (late build) this diagram is for late 1953 cars with multi colored wiring (reds, blues, greenss, etc).. These files are in adobe reader format, (.pdf) &.jpg image format. Vacuum diagrams are less common but still viable with the controlling of the air conditioning and heating systems on older cars and a few components on newer cars. We have almost everything on ebay. Some chevrolet tahoe wiring diagrams are above the page. 1969 chevy & gmc truck.
In fact, i own this vehicle and bought the shop manual for it. These files are in adobe reader format, (.pdf) &.jpg image format. Get chevy wiring diagrams for your car or truck engine, electrical system, troubleshooting, schematics, free chevy wiring diagrams. Camino chevrolet el 1985 2dr sut wiring information: If not, the arrangement will not function as it ought to be.
1990 Chevy Wiring Diagram Wiring Diagrams All Bald What Bald What Babelweb It from econtent.autozone.com 800 x 600 px, source: 1990 chevrolet c1500 2dr ext cab pickup wiring information: Get chevy wiring diagrams for your car or truck engine, electrical system, troubleshooting, schematics, free chevy wiring diagrams. Electrical wiring pertaining to 2002 chevy silverado wiring diagram, image size 393 x 480 px, and to view image details please click the image. Tahoe air conditioning wiring diagram. 1.bp.blogspot.com i need a headlight wiring diagram for the 04 chevy venture. 1957 6, 1957 v8, 1957 corvette, 1958 6, 1958 v8, 1958 corvette, 1959 corvette, 1959 6, 1959 v8, 1960 6, 1960 v8, 1960 corvair,. These files are in adobe reader format, (.pdf) &.jpg image format.
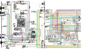
1968 chevy & gmc truck wiring diagram:
1991 chevy s10 wiring diagram hvac 95 chevrolet full blazer data s 10 truck sun visor hd 1999 alt k10 schematic 91 column for 4 3 88 fuel pump dome light stereo starter injectors ignition 2000 schematics tail fuse the box page 1993 2 8l er motor 5de gmc jimmy 1953 chevy car color wiring diagram (late build) this diagram is for late 1953 cars with multi colored wiring (reds, blues, greenss, etc). 1989 chevrolet impala 4dr sedan wiring information: 1990 chevrolet blazer 2dr suv wiring information: Get chevy wiring diagrams for your car or truck engine, electrical system, troubleshooting, schematics, free chevy wiring diagrams. Wiring diagrams are one of the most common these days with all the added electronics. Looking for chevy wire diagram? The bells and whistles tend to break the most often. One was called gmc yukon, and the variant under the chevrolet brand received the already known name blazer. At the time of this writing the demonstration vehicle is a 2004 chevrolet blazer zr2. It shows the components of the circuit as simplified shapes, and the skill and signal associates between the devices. Your destination for gm truck parts. Chevrolet cars coproration was founded in 1910.
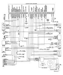
1969 chevy & gmc truck. Here is a picture gallery about 2002 chevy silverado wiring diagram complete with the description of the image, please find the image you need. 800 x 600 px, source: Wiring diagrams are one of the most common these days with all the added electronics. Most wiring diagrams provide detailed illustrations of electrical switches along with line drawing representations of wiring harnesses showing wire gauge and color.
2001 Chevrolet Wiring Diagram Wiring Diagrams Child Metal A Child Metal A Alcuoredeldiabete It from www.fixya.com Wiring diagram, smartlight2 wiring schematic, smartlight2 control plug pin functions 13 pin harness 2015+ dodge only. But did you check ebay? The wiring diagram in the video comes from a popular online service manual. Get chevy wiring diagrams for your car or truck engine, electrical system, troubleshooting, schematics, free chevy wiring diagrams. We have almost everything on ebay. 1985 chevrolet cavalier 2dr coupe wiring information 1969 chevy & gmc truck. The bells and whistles tend to break the most often.
But did you check ebay?
Gm full size trucks 1988 1998 wiring 1989 chevy silverado ac diagram 89 4x4 chevrolet blazer 3500 c1500 gmc diagrams for 350 s10 tbi alternator a radio 100 headlight truck tail light schematic tpi coil 1980 1987 2002 mid cars 1964 kodiak suburban fuse 1500 present message s 10 deutz rwal sierra box engine k5 celebrity fuel Wiring diagrams are one of the most common these days with all the added electronics. Wiring diagrams are schematics of your trucks wiring and electrics systems. We have almost everything on ebay. It shows the components of the circuit as simplified shapes, and the aptitude and signal associates between the devices. Electrical wiring pertaining to 2002 chevy silverado wiring diagram, image size 393 x 480 px, and to view image details please click the image. Wiring diagram, smartlight2 wiring schematic, smartlight2 control plug pin functions 13 pin harness 2015+ dodge only. These files are in adobe reader format, (.pdf) &.jpg image format. 1998 chevrolet blazer wiring diagram wiring library trailer wiring diagram besides 1998 chevy s10 wiring harness 2000 chevy wiring diagram wiring schematic diagram 2000 chevy wiring diagram wiring schematic diagram 1998 chevrolet blazer radio wiring diagram new wiring 2000 chevy wiring diagram wiring schematic diagram. It is intended to assist all of the typical person in creating a proper system. Tahoe air conditioning wiring diagram. This wiring diagram is the same exact one provided in a professional chevrolet dealership publication. Some chevrolet tahoe wiring diagrams are above the page.
These files are in adobe reader format, (.pdf) &.jpg image format. Gm full size trucks 1988 1998 wiring 1989 chevy silverado ac diagram 89 4x4 chevrolet blazer 3500 c1500 gmc diagrams for 350 s10 tbi alternator a radio 100 headlight truck tail light schematic tpi coil 1980 1987 2002 mid cars 1964 kodiak suburban fuse 1500 present message s 10 deutz rwal sierra box engine k5 celebrity fuel Vacuum diagrams are less common but still viable with the controlling of the air conditioning and heating systems on older cars and a few components on newer cars. When you're ready to start your project, count on autozone's large selection of auto parts and accessories by autolite, bosch, ngk, duralast, blue streak, acdelco, and other respected industry manufacturers. 1998 chevrolet blazer wiring diagram wiring library trailer wiring diagram besides 1998 chevy s10 wiring harness 2000 chevy wiring diagram wiring schematic diagram 2000 chevy wiring diagram wiring schematic diagram 1998 chevrolet blazer radio wiring diagram new wiring 2000 chevy wiring diagram wiring schematic diagram.
1990 Chevy Wiring Diagram Wiring Diagrams All Bald What Bald What Babelweb It from econtent.autozone.com The bells and whistles tend to break the most often. 1990 chevrolet c1500 2dr ext cab pickup wiring information: Looking for chevy wire diagram? But did you check ebay? Check out chevy wire diagram on ebay. We hope you found the 1995 chevy g20 wiring diagrams and other schematics helpful. 1.bp.blogspot.com i need a headlight wiring diagram for the 04 chevy venture. Electrical wiring pertaining to 2002 chevy silverado wiring diagram, image size 393 x 480 px, and to view image details please click the image.
One was called gmc yukon, and the variant under the chevrolet brand received the already known name blazer.
Your destination for gm truck parts. Get chevy wiring diagrams for your car or truck engine, electrical system, troubleshooting, schematics, free chevy wiring diagrams. These files are in adobe reader format, (.pdf) &.jpg image format. It is intended to assist all of the typical person in creating a proper system. See list for early build diagram with natural colored wiring. These diagrams are easier to read once they are printed. 800 x 600 px, source: 800 x 600 px, source: Vacuum diagrams are less common but still viable with the controlling of the air conditioning and heating systems on older cars and a few components on newer cars. Diagram 1991 chevy s10 4 3 stereo wiring full version hd quality missing judoclubbarsacais fr. Here is a picture gallery about 2002 chevy silverado wiring diagram complete with the description of the image, please find the image you need. 1969 chevy & gmc truck. 1990 chevrolet c1500 2dr ext cab pickup wiring information: